কাঠামোগত সুবিধা এবং বৈশিষ্ট্য
1. পণ্যটি জাতীয় মান GB 12235 অনুসারে ডিজাইন এবং তৈরি করা হয়েছে, যুক্তিসঙ্গত কাঠামো, নির্ভরযোগ্য সিলিং, কর্মক্ষমতা এবং সুন্দর আকৃতি সহ।
2. ফ্ল্যাপ ভালভ, কোবাল্ট-ভিত্তিক অ্যালয় ঢালাই, পরিধান-প্রতিরোধী, উচ্চ তাপমাত্রা, জারা, অ্যান্টি-ঘর্ষণ কর্মক্ষমতা, দীর্ঘ জীবন দিয়ে তৈরি আয়রন-ভিত্তিক অ্যালি বা স্যাটেলাইট (ইলি) এর ভালভ সিট সিলিং পৃষ্ঠ।
3. ক্ষয় এবং স্ক্র্যাচ প্রতিরোধের ভাল প্রতিরোধের সঙ্গে স্টেম quenched এবং নাইট্রোজেন চিকিত্সা.
4. বিভিন্ন প্রজেক্টের চাহিদা এবং ব্যবহারকারীর প্রয়োজনীয়তা মেটাতে বিভিন্ন স্ট্যান্ডার্ড পাইপ ফ্ল্যাঞ্জ এবং ফ্ল্যাঞ্জ সিলিং পৃষ্ঠের প্রকারের সাথে ব্যবহার করা যেতে পারে।
5. শারীরিক উপাদানের বৈচিত্র্য, প্যাকিং এবং গ্যাসকেট প্রকৃত কাজের অবস্থার উপর ভিত্তি করে হতে পারে বা ব্যবহারকারী একটি যুক্তিসঙ্গত বিকল্পের অনুরোধ করে এবং সমস্ত ধরণের চাপ, তাপমাত্রা এবং মাঝারি অবস্থার সাথে প্রয়োগ করা যেতে পারে।
6. স্ক্রু সংযোগ দিয়ে সিল করা পিছনের সিট বা স্টেইনলেস স্টীল ঢালাই দিয়ে তৈরি বডি সিল করা, সিল করা এবং একটি নন-স্টপ সুবিধাজনক এবং দক্ষ পদ্ধতিতে ফ্লিং এর নির্ভরযোগ্য প্রতিস্থাপন সিস্টেম অপারেশনকে প্রভাবিত করে না।
মান এবং নিয়ম
| নকশা এবং উত্পাদন | কাঠামোর দৈর্ঘ্য | চাপ তাপমাত্রা রেটিং | সংযোগকারী ফ্ল্যাঞ্জ | পরীক্ষা এবং পরিদর্শন |
| জিবি 12235 | জিবি 12221 | জিবি 12224 | JB/T 79/82~1994 জিবি 9113 এইচG 20592-20635 | JB/T 9092-1999 জিবি 13927 |
প্রধান উপাদান উপাদান
| নাম | উপাদান | ||||||||
| বডি/বনেট | CF8 | CF3 | CF8M | CF3M | WCB | এলসিবি | WC6 | WC9 | C5 |
| কীলক | CF8 | CF3 | CF8M | CF3M | WCB | এলসিবি | WC6 | WC9 | C5 |
| কান্ড | F304 | F304এল | F316 | F316L | 2CR13 | F304 | F304 | F304 | F304 |
| কান্ড Nut | অ্যালুমিনিয়াম ব্রোঞ্জ | ||||||||
| প্যাকিং | PTFE/নমনীয় গ্রাফাইট | গ্রাফাইট | |||||||
| গ্যাসকেট | PTFE/ধাতু মোড়ানো মাদুর | গ্রাফাইট | |||||||
| গ্রন্থি | CF8 | CF3 | CF8M | CF3M | WCB | এলসিবি | WC6 | WC9 | C5 |
| বোল্ট | 35CrMoA | ||||||||
| বাদাম | স্টেইনলেস স্টীল | 45,35CrMoA | |||||||
| হ্যান্ডহুইল | স্টেইনলেস স্টীল Cast Steel | ||||||||
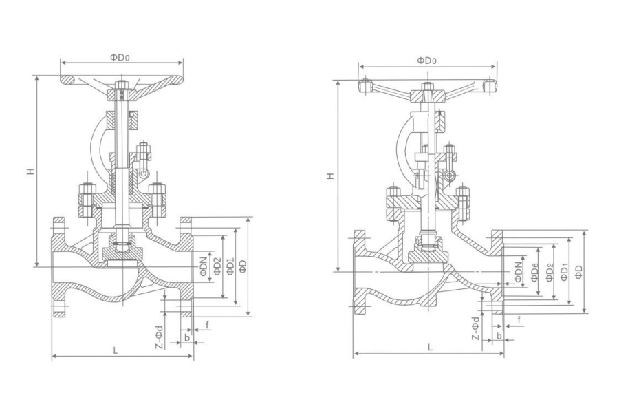
প্রধান বাহ্যিক এবং সংযোগ মাত্রা
| PN(MPa) | ডিN(মিমি) | আকার (মিমি) | বৈদ্যুতিক ডিভাইস মডেল | দেয়ালের পুরুত্ব | |||||||||
| L | D | D1 | D2 | D6 | b-f | f2 | Z-Φd | H | D0 | ||||
| 1.6 | 10 | 130 | 90 | 60 | 40 | 16-2 | 4-φ14 | 198 | 120 | 6.4 | |||
| 15 | 130 | 95 | 65 | 45 | 16-2 | 4-φ14 | 218 | 120 | 6.4 | ||||
| 20 | 150 | 105 | 75 | 55 | 18-2 | 4-φ14 | 230 | 140 | 6.4 | ||||
| 25 | 160 | 115 | 85 | 65 | 18-2 | 4-φ14 | 240 | 160 | 6.4 | ||||
| 32 | 180 | 140 | 100 | 78 | 18-2 | 4-φ18 | 250 | 180 | 6.4 | ||||
| 40 | 200 | 150 | 110 | 85 | 18-3 | 4-φ18 | 262 | 200 | 6.4 | ||||
| 50 | 230 | 165 | 125 | 100 | 18-3 | 4-φ18 | 280 | 240 | DZW10A | 7.9 | |||
| 65 | 290 | 185 | 145 | 120 | 18-3 | 8-φ18 | 327 | 280 | DZW10A | 11 | |||
| 80 | 310 | 200 | 160 | 135 | 20-3 | 8-φ18 | 355 | 280 | DZW10A | 11.5 | |||
| 100 | 350 | 220 | 180 | 155 | 20-3 | 8-φ18 | 415 | 320 | DZW15A | 12.5 | |||
| 125 | 400 | 250 | 210 | 185 | 22-3 | 8-φ18 | 460 | 360 | DZW20A | 13 | |||
| 150 | 480 | 285 | 240 | 210 | 22-3 | 8-φ22 | 510 | 400 | DZW30A | 13.5 | |||
| 200 | 600 | 340 | 295 | 265 | 24-3 | 12-φ22 | 588 | 400 | DZW45A | 15 | |||
| 250 | 650 | 405 | 355 | 320 | 26-3 | 12-φ26 | 725 | 450 | DZW60A | 16 | |||
| 300 | 750 | 460 | 410 | 375 | 28-4 | 12-φ26 | 925 | 500 | DZW90 | 18 | |||
| 350 | 850 | 520 | 470 | 435 | 30-4 | 16-φ26 | 1030 | 600 | DZW120 | 19 | |||
| 400 | 950 | 580 | 525 | 485 | 32-4 | 16-φ30 | 1170 | 700 | DZW180 | 21 | |||
| 450 | 1050 | 640 | 585 | 545 | 40-4 | 20-φ30 | 1220 | 800 | DZW180 | 21.5 | |||
| 500 | 1150 | 715 | 650 | 608 | 44-4 | 20-φ33 | 1410 | 900 | DZW250 | 22 | |||
| 600 | 1350 | 840 | 770 | 718 | 54-5 | 20-φ36 | 1610 | 1000 | DZW350 | 25 | |||
চাংশুই সম্পর্কে
চাংশুই টেকনোলজি গ্রুপ কোং, লিমিটেডis a valve integrating R&D, manufacturing, sales and service The manufacturer is currently one of the main suppliers of general-purpose valves in China. The main products are: gate valves, globe valves, butterfly valves, ball valves, check valves, regulating valves, pressure reducing valves, diaphragm valves, plug valves, plunger valves, drains Valves, hydraulic control valves, etc. উচ্চ-মানের পণ্যগুলি বিভিন্ন শিল্পে ব্যবহারকারীদের দ্বারা প্রশংসিত এবং সম্মানিত হয়েছে এবং নির্মাণ, গরম, জল সরবরাহ, পেট্রোলিয়াম, রাসায়নিক, বৈদ্যুতিক শক্তি এবং অন্যান্য শিল্পে ব্যাপকভাবে ব্যবহৃত হয়! কোম্পানির উদ্দেশ্য হল উচ্চ মানের পণ্য দিয়ে সমাজে অবদান রাখা। 'আমাদের লক্ষ্য ব্যবহারকারীদের সন্তুষ্টি করা'। আমাদের মানের নীতি হল: "পণ্যের গুণমানের জন্য ব্যবহারকারীদের চাহিদা এবং প্রত্যাশা পূরণ করুন এবং প্রথম-শ্রেণীর গুণমান ব্যবস্থাপনা স্তরে এগিয়ে যান, প্রথম-শ্রেণীর পণ্য উত্পাদন, প্রথম-শ্রেণীর পরিষেবা তৈরি করুন, "CSHUValve ইন্ডাস্ট্রিতে কোম্পানিটি নতুন এবং পুরানো বন্ধুদের সাথে এবং সমাজের সহকর্মীদের সাথে কাজ করতে ইচ্ছুক, এবং দেশে এবং বিদেশে ব্যবহারকারীদের সাথে আবার হাত মেলাতে, এবং Fglory তৈরি করতে!
প্রজাপতি ভালভ উপাদান পরিচিতি একটি প্রজাপতি ভালভ হল একটি বহুমুখী এবং বিভিন্ন শিল্পে বহুল ব্যবহৃত ভালভ প্রকার, যা তার কমপ্যাক্ট ডিজাইন এবং নির্ভরয...
READ MOREসাধারণ গেট ভালভ সমস্যা গেট ভালভগুলি বিভিন্ন শিল্প এবং আবাসিক সিস্টেমে অপরিহার্য উপাদান, যা জল বা গ্যাস প্রবাহ নিয়ন্ত্রণের একটি নির্ভরযোগ্য উপায...
READ MOREচেক ভালভ বোঝা একটি চেক ভালভ হল একটি যান্ত্রিক যন্ত্র যা তরল বা গ্যাসকে শুধুমাত্র এক দিকে প্রবাহিত করতে দেয়। এর প্রাথমিক কাজ হল ব্যাকফ্লো প্রতির...
READ MORE1. নমনীয় আয়রন কাস্টের ওভারভিউ নমনীয় লোহা ঢালাই, যা নোডুলার ঢালাই লোহা বা গোলকীয় গ্রাফাইট লোহা নামেও পরিচিত, এটি এক ধরনের ঢালাই লোহা যা এর উচ...
READ MORE1. ভালভ এবং আসন বোঝা পাইপলাইন, ইঞ্জিন এবং যন্ত্রপাতিগুলিতে তরল বা গ্যাসের প্রবাহ নিয়ন্ত্রণে ভালভ এবং আসনগুলি অপরিহার্য উপাদান। ভালভ একটি চলমান ...
READ MORE